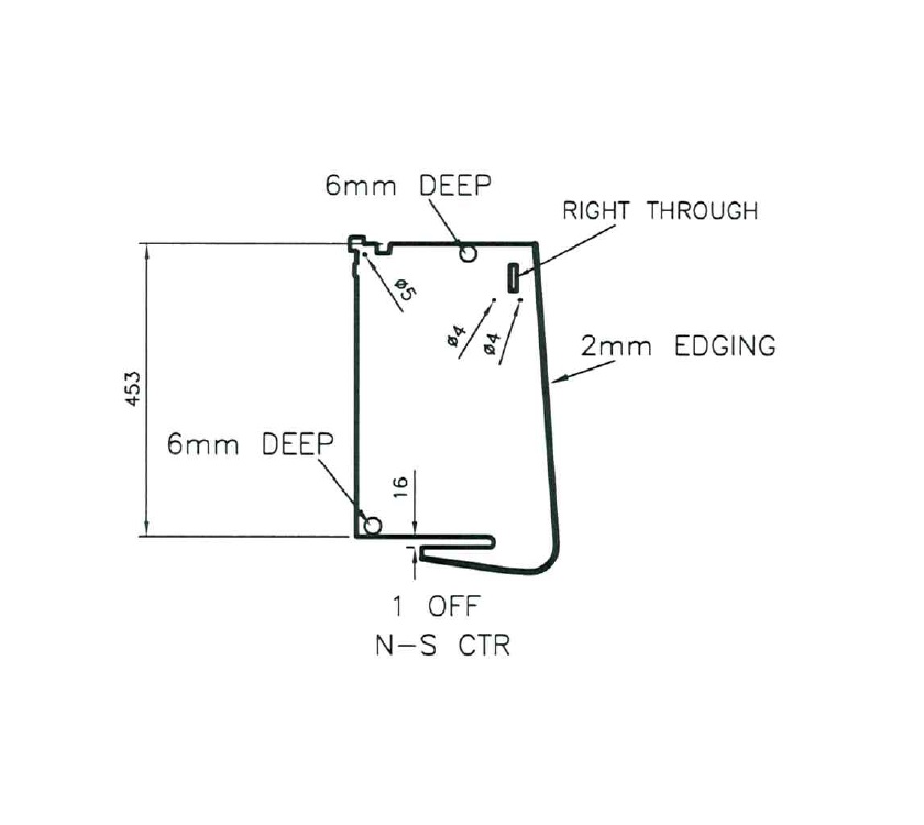
Pursuit 560/5 Rear Locker Base N/S

Part Number 1335771

Manufacturer Part Number 560/5-803

Weight 1kg

Part number 1335771

Pay £100.97

Estimated dispatch date:

Saturday 15th November based on stock levels and supplier lead time | Delivery information

Full product details

Product description

This part is no longer available in the original OEM wood finish - Walnut.

The part will be manufactured in a similar wood finish - Mendip Ash. Please refer to the image for visual comparison.

Product Info

Part Number 1335771
Manufacturer Part Number 560/5-803
Weight 1kg
Availability Estimated dispatch by Saturday 15th November

Delivery

Product Availability and Delivery Estimates

When you place your order with us for products that are not in stock, we take payment upfront to secure your products with our suppliers.

We advertise an estimated despatch date on the product page, basket and checkout page to give you an indication when we expect the product to be dispatched from our warehouse.

Available shipping options will vary based on the weight and dimensions of a product.

You can select from a range of courier options and service levels with estimated delivery times, however we cannot guarantee these.


Split Deliveries

If some items in your order are out of stock, you can choose to split your order on the delivery page so that items are delivered as quickly as possible.

If you choose to have your items delivered as quickly as possible, you will pay for each separate delivery and this will be calculated and charged in the basket. Your order will be split into separate orders for each delivery.

Back to top